FPGA-Based Signal Conditioning using FIR LPF
🔍 Overview
Designed and implemented an FPGA-based FIR Low-Pass Filter (LPF) for real-time signal conditioning.
The system efficiently filters input signals using a hardware-based architecture, enabling high-speed and reliable digital signal processing.
⚙️ Key Features
- Real-time FIR filtering using FPGA
- Parallel processing for high-speed operation
- Efficient hardware implementation using Verilog
- Stable and reliable signal conditioning
- Suitable for embedded DSP applications
🧠 Working Principle
- Input signal is applied to the FPGA
- Previous samples are stored using a shift register
- Each sample is multiplied with predefined FIR coefficients
- Multiply-Accumulate (MAC) operation produces filtered output
- High-frequency noise components are attenuated
🧩 Hardware Used
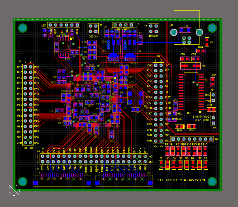
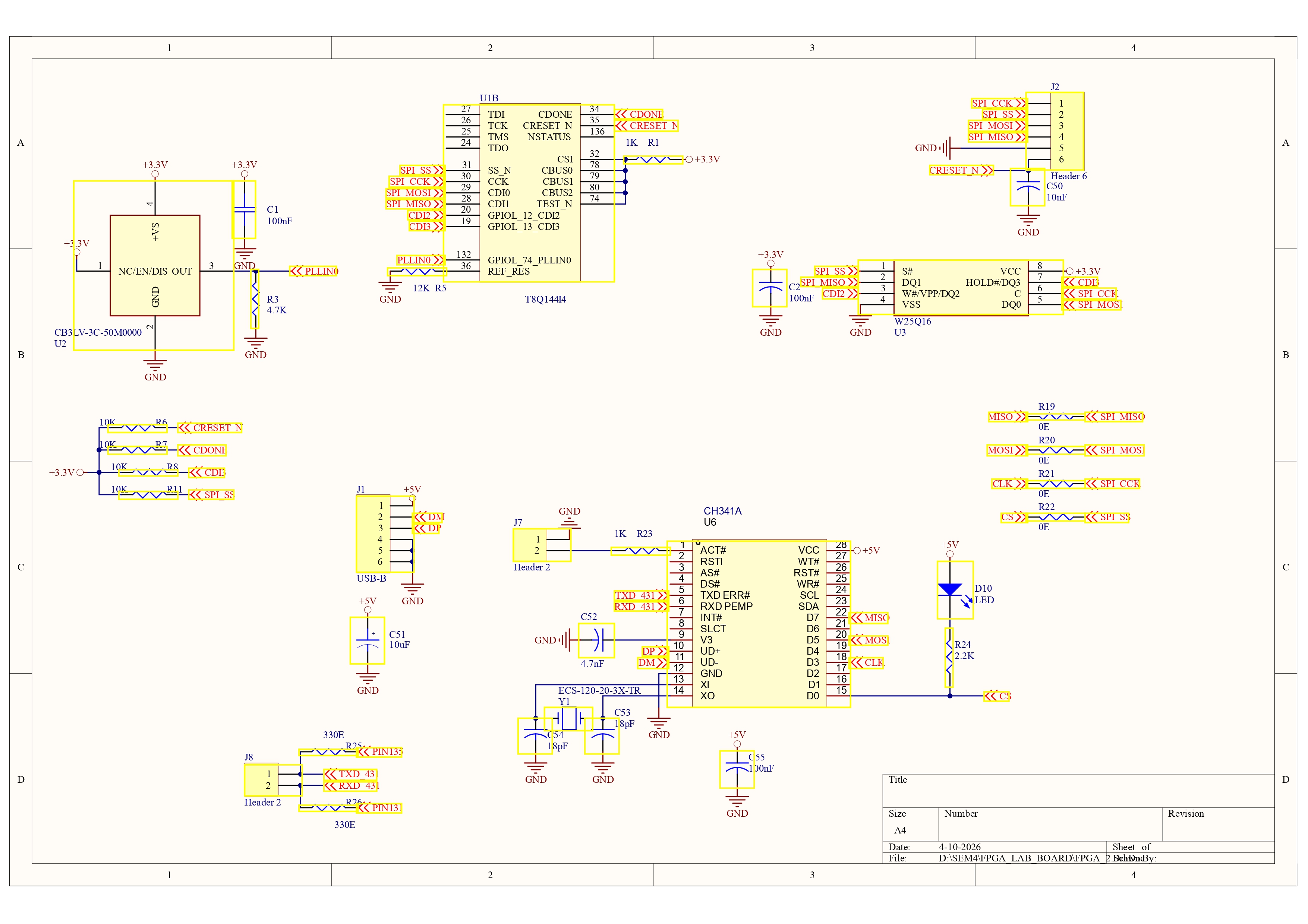
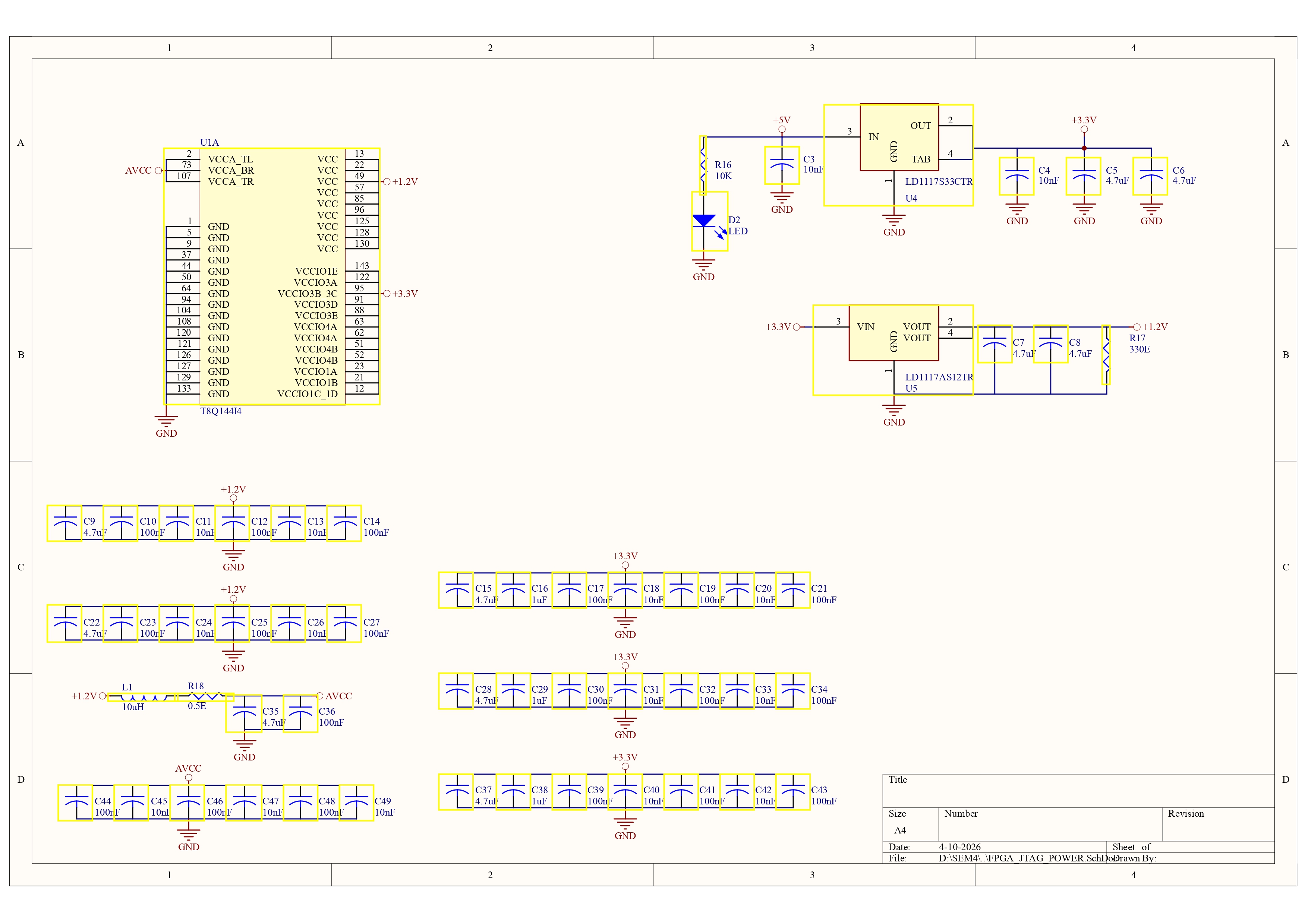
- Intel/Altera Cyclone 10 LP FPGA (T20Q144I4)
- Supporting passive components for signal interfacing
🛠 Tools & Software
- Verilog HDL
- Efinity / Quartus Prime
- GTKWave (for simulation)
- PCB Design (Altium / KiCad)
💡 My Contributions
- Designed FIR filter architecture in Verilog
- Implemented shift register and MAC-based filtering
- Simulated and verified filter performance
- Optimized design for efficient FPGA utilization
- Designed PCB for FPGA-based implementation (if applicable)
- Tested and validated real-time filtering
🔌 Circuit & Hardware
FPGA Board
PCB

Schematic
—
📊 Results
Simulation Output

- Successfully attenuated high-frequency noise
- Output matches expected low-pass filter behavior
- Stable real-time operation achieved
📎 Downloads
🏁 Conclusion
This project demonstrates an efficient FPGA-based digital filtering system, showcasing the advantages of hardware acceleration for real-time signal processing applications.